
Products
TSA12112
Swipe left and right more
※ TSA12112
Funtion: | Momentary action |
Contact Arrangement: | SPST, Normally Open |
Termination: | THD version |
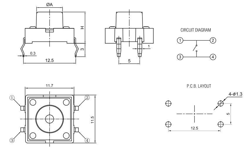
※ DIAGRAM
※ SPECIFICATION