
Products
※ SPECIFICATION
ELECTRICAL RATING | 50mA , DC12V | |
CONTACT RESISTANCE | ≤100mΩ | |
INSULATION RESISTANCE | ≥100MΩ | |
DIELECTRIC STRENGTH | AC250V for 1 Minute | |
LIFE EXPECTANCY | 100,000 cycles | |
TRAVEL | 0.25mm±0.1mm |
LED SPECIFICATIONS | ||||||
Part Number | Color | Dominant
Wave length (Unit:nm,IF=20mA) | Luminous
intensity (Unit:mcd,IF=20mA) | Forward Voltage (Unit:V,IF=20mA) | Viewing Angle 2θ 1/2 | |
Typical | Typical | Typical | Max | |||
DL01B01 | Red | 621 | 1200 | 2.0 | 2.3 | 35 |
DL01J01 | Yellow | 590 | 1200 | 2.0 | 2.3 | 35 |
DL01K01 | Orange | 605 | 1000 | 2.0 | 2.4 | 30 |
DL01D01 | Blue | 460 | 200 | 3.0 | 3.2 | 60 |
DL01C01 | Green | 522 | 1800 | 3.0 | 3.4 | 35 |
DL01E01 | White | 1200 | 3.2 | 3.6 | 35 |
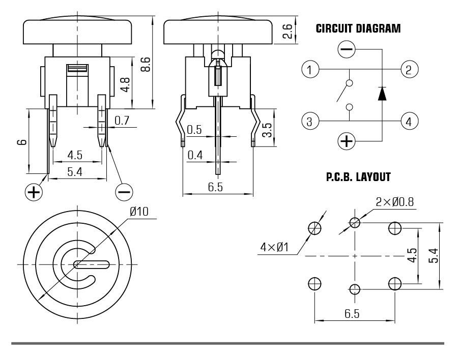
TSL06122-0010
Swipe left and right more
※ TSL06122-0010
Funtion: | Momentary action |
Contact Arrangement: | SPST, Normally Open |
Termination: | THD version |
※ DIAGRAM
※ SPECIFICATION
ELECTRICAL RATING | 50mA , DC12V | |
CONTACT RESISTANCE | ≤100mΩ | |
INSULATION RESISTANCE | ≥100MΩ | |
DIELECTRIC STRENGTH | AC250V for 1 Minute | |
LIFE EXPECTANCY | 100,000 cycles | |
TRAVEL | 0.25mm±0.1mm |
LED SPECIFICATIONS | ||||||
Part Number | Color | Dominant
Wave length (Unit:nm,IF=20mA) | Luminous
intensity (Unit:mcd,IF=20mA) | Forward Voltage (Unit:V,IF=20mA) | Viewing Angle 2θ 1/2 | |
Typical | Typical | Typical | Max | |||
DL01B01 | Red | 621 | 1200 | 2.0 | 2.3 | 35 |
DL01J01 | Yellow | 590 | 1200 | 2.0 | 2.3 | 35 |
DL01K01 | Orange | 605 | 1000 | 2.0 | 2.4 | 30 |
DL01D01 | Blue | 460 | 200 | 3.0 | 3.2 | 60 |
DL01C01 | Green | 522 | 1800 | 3.0 | 3.4 | 35 |
DL01E01 | White | 1200 | 3.2 | 3.6 | 35 |