
產品中心
Products
SC215
左右滑動查看詳情
※ SC215
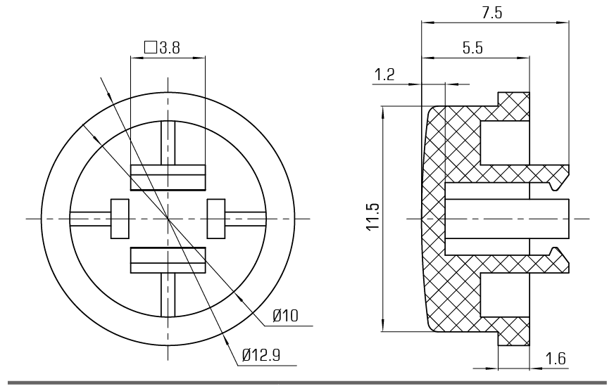
SC2鍵帽系列內孔為3.8×3.8mm配12×12方頭輕觸開關 | |
可選顏色: | 白色 , 灰色 ,黑色 , 米色 藍色 , 紅色 , 黃色 , 綠色 |
訂單起訂量: | 1000只 |
※ 尺寸圖
戴帽總高 | 11.7 | 12 | 12.1 |
開關高度 | 7 | 7.3 | 7.4 |