
產品中心
Products
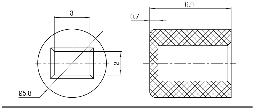
SC303
左右滑動查看詳情
※ SC303
SC3鍵帽系列內孔為3×2配自(無)鎖開關 | |
可選顏色: | 白色 , 灰色 , 黑色 , 米色 藍色 , 紅色 , 黃色 , 綠色 |
訂單起訂量: | 1000只 |
※ 尺寸圖